|
2、性能參數:
|
|
3、安裝: |
||||||||||||||||||||||||||||||||||||||||||||||||||||||||||||||||||||||||||||||||||||||||||||||||||||||||||||||||||||||||||||||||||||||||||||
|
安裝注意事項 |
||||||||||||||||||||||||||||||||||||||||||||||||||||||||||||||||||||||||||||||||||||||||||||||||||||||||||||||||||||||||||||||||||||||||||||
|
4、外形及安裝尺寸: |
||||||||||||||||||||||||||||||||||||||||||||||||||||||||||||||||||||||||||||||||||||||||||||||||||||||||||||||||||||||||||||||||||||||||||||
|
|
||||||||||||||||||||||||||||||||||||||||||||||||||||||||||||||||||||||||||||||||||||||||||||||||||||||||||||||||||||||||||||||||||||||||||||
|
|
|
|
|
h |
H1 |
H2 |
H3 |
H4 |
H5 |
H6 |
L |
δ |
β |
|
YMDZ-05 |
16.2 |
47 |
2 |
21 |
120 |
60 |
25 |
20 |
0.3 |
120 |
|
YMDZ-08 |
21.6 |
55 |
3 |
21 |
135 |
75 |
25 |
20 |
0.3 |
120 |
|
YMDZ-15 |
28.1 |
60 |
3 |
24 |
140 |
80 |
25 |
25 |
0.4 |
100 |
|
YMDZ-30 |
32.8 |
61 |
3 |
24.5 |
150 |
90 |
250 |
30 |
0.4 |
100 |
|
YMDZ-40 |
32.8 |
63 |
3 |
25 |
180 |
102 |
32 |
30 |
0.5 |
80 |
|
YMDZ-75 |
42.8 |
75 |
3 |
29 |
195 |
112 |
32 |
30 |
0.5 |
80 |
|
YMDZ-150 |
47.8 |
88 |
3.5 |
34 |
275 |
133 |
32 |
35 |
0.6 |
80 |
|
YMDZ-200 |
57.3 |
80 |
3.5 |
|
|
|
|
40 |
0.6 |
|
|
YMDZ-300 |
63.4 |
95 |
3.5 |
|
|
|
|
50 |
0.8 |
|
|
YMDZ-450 |
69.4 |
100 |
3.5 |
|
|
|
|
56 |
0.8 |
|
|
YMDZ-600 |
69.4 |
110 |
4 |
|
|
|
|
56 |
0.8 |
|
|
YMDZ-750 |
72.4 |
120 |
4 |
|
|
|
|
62 |
1.0 |
|
|
YMDZ-2000 |
85.4 |
130 |
7.5 |
|
|
|
|
62 |
1.0 |
|
|
|
|
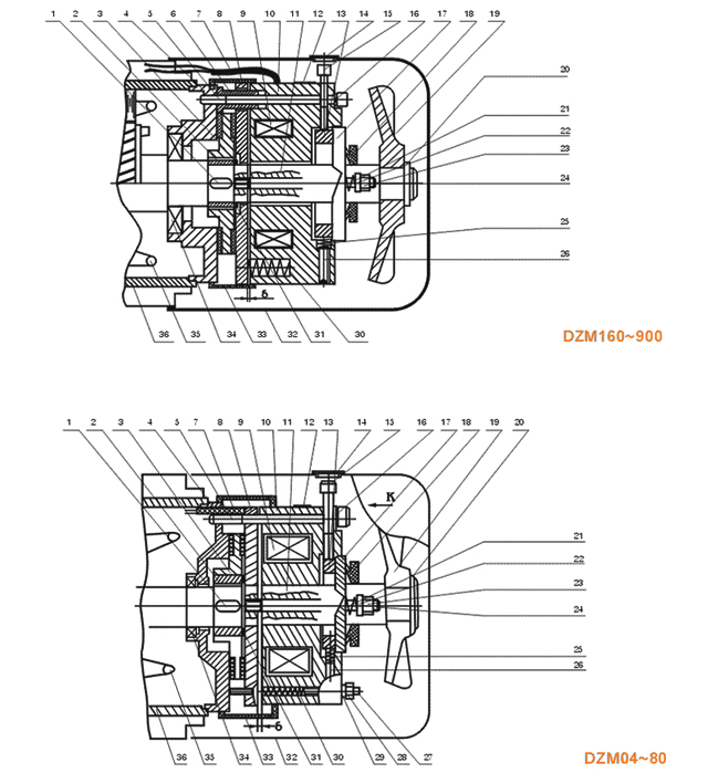
5、安裝示意圖 |
|
|
2、性能參數:
|
|
3、安裝: |
|
安裝注意事項 |
|
4、外形及安裝尺寸: |
|
|
|
|
|
h |
H1 |
H2 |
H3 |
H4 |
H5 |
H6 |
L |
δ |
β |
|
YMDZ-05 |
16.2 |
47 |
2 |
21 |
120 |
60 |
25 |
20 |
0.3 |
120 |
|
YMDZ-08 |
21.6 |
55 |
3 |
21 |
135 |
75 |
25 |
20 |
0.3 |
120 |
|
YMDZ-15 |
28.1 |
60 |
3 |
24 |
140 |
80 |
25 |
25 |
0.4 |
100 |
|
YMDZ-30 |
32.8 |
61 |
3 |
24.5 |
150 |
90 |
250 |
30 |
0.4 |
100 |
|
YMDZ-40 |
32.8 |
63 |
3 |
25 |
180 |
102 |
32 |
30 |
0.5 |
80 |
|
YMDZ-75 |
42.8 |
75 |
3 |
29 |
195 |
112 |
32 |
30 |
0.5 |
80 |
|
YMDZ-150 |
47.8 |
88 |
3.5 |
34 |
275 |
133 |
32 |
35 |
0.6 |
80 |
|
YMDZ-200 |
57.3 |
80 |
3.5 |
|
|
|
|
40 |
0.6 |
|
|
YMDZ-300 |
63.4 |
95 |
3.5 |
|
|
|
|
50 |
0.8 |
|
|
YMDZ-450 |
69.4 |
100 |
3.5 |
|
|
|
|
56 |
0.8 |
|
|
YMDZ-600 |
69.4 |
110 |
4 |
|
|
|
|
56 |
0.8 |
|
|
YMDZ-750 |
72.4 |
120 |
4 |
|
|
|
|
62 |
1.0 |
|
|
YMDZ-2000 |
85.4 |
130 |
7.5 |
|
|
|
|
62 |
1.0 |
|
|
|
|
5、安裝示意圖 |
|






